产品展示:
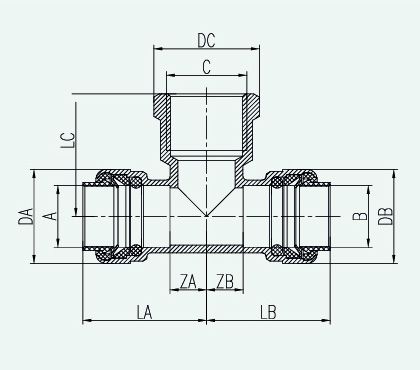
产品参数:

| 规格 | A | B | C | DA | DB | DC | LA | LB | LC | ZA | ZB | ZC | 产品编号 镀镍 配接不锈钢管 | 包装数量 |
| 15×15mm×1/2" | 15.3 | 15.3 | 1/2" | 23.75 | 23.75 | 25 | 30.2 | 30.2 | 32.5 | 7.9 | 7.9 | CM8130G 0150415 | 5 | |
| 22×22mm×1/2" | 22.35 | 22.35 | 1/2" | 32.6 | 32.6 | 25 | 35 | 35 | 35.6 | 8.3 | 8.3 | CM8130G 0220422 | 5 | |
| 22×22mm×3/4" | 22.35 | 22.35 | 3/4" | 32.6 | 32.6 | 31 | 38 | 38 | 36 | 11.3 | 11.3 | CM8130G 0220622 | 5 | |
| 28×28mm×1" | 28.3 | 28.3 | 1" | 41.2 | 41.2 | 38 | 44.8 | 44.8 | 39 | 15 | 15 | CM8130G 0280828 | 5 |